您当前的位置:

南涧县农村危房改造领域基层政务公开标准目录

来源: 发布时间: 浏览量:
字号:【



































































































































































































































































































































































































































南涧县农村危房改造领域基层政务公开标准目录

相关附件

    扫一扫在手机打开当前页

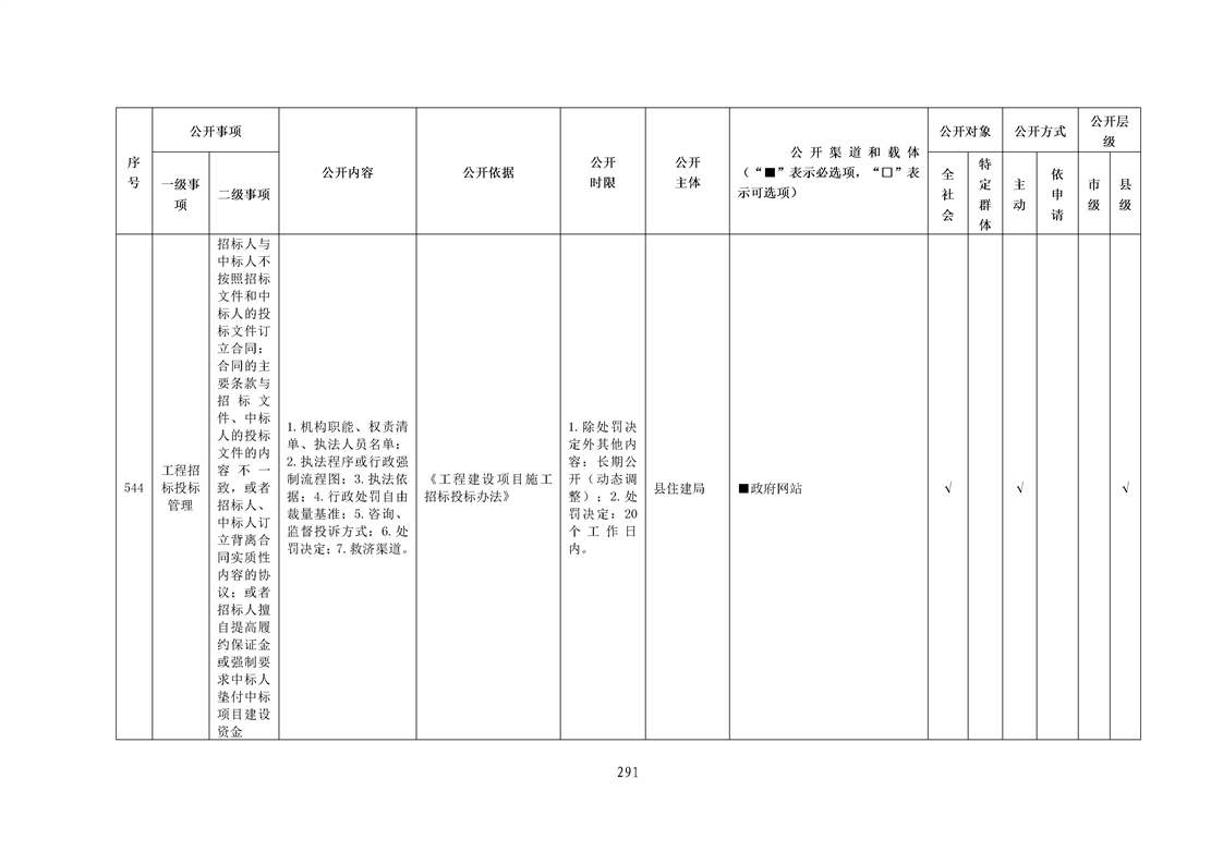
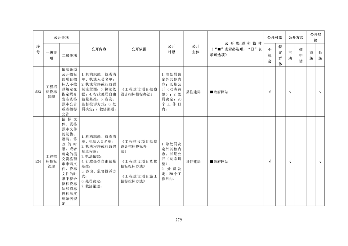
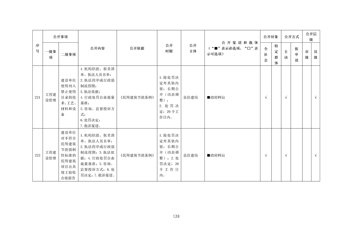
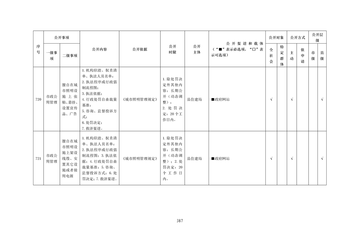
    相关信息